EN

产品展示

腾昌工程

※ 您的当前所在位置:网站首页 - 产品展示 - 伸缩臂起重机系列

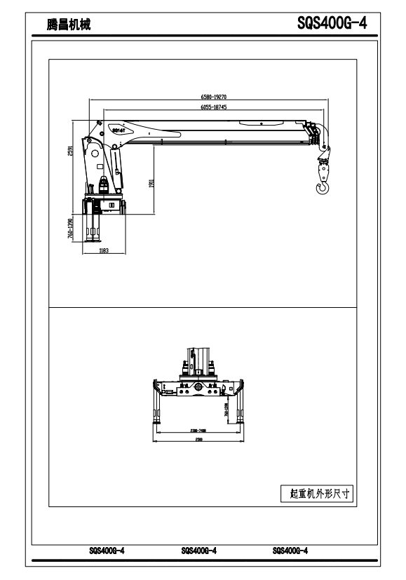
SQS400

prev
next

SQS400

全国咨询热线

13951352009
上一条:SQS125A
下一条:SQS300

返回列表

您可能感兴趣的新闻 POPULAR INFORMATION